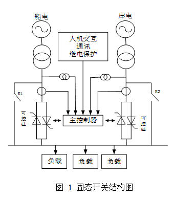
固态开关利用大功率电力电子技术和基于微处理器的数字处理技术来实现负载的不间断供电,采用晶闸管作为开关装置,晶闸管具有成本低、过载能力强、可靠性高等特点,是解决敏感负荷和关键负荷电力供应的最经济有效的手段之一。其结构如图1所示,当其中一路供电电源出现供电异常(电压暂降、波动等)时,固态开关可在1/4周波内(最短时间可小于1ms)快速将重要负荷切换至备用电源,从而保证负荷供电的连续性和可靠性。
主备电源分别为船电和岸电,在同相和不同相情况下均可实现快速切换;人机交互界面根据工作需要提供系统参数设置、自动和手动选择设置以及其他相关参数设置;系统的通信功能将系统运行情况传送到远程控制中心,可以进行远程控制和维护;K1、K2为旁路开关,当系统停机时可由旁路对负荷供电,方便系统的检修、维护和测试;主控制器为DSP数字信号处理器,当主电源发生电压暂降并且幅值超过负荷的承受限值时,系统自动将负载切换到备电源继续供电,整个切换时间在1/4个周波之内,不影响负荷的正常运行。

400-800-7179、0532-83817800
在线客服
QQ客服专线



