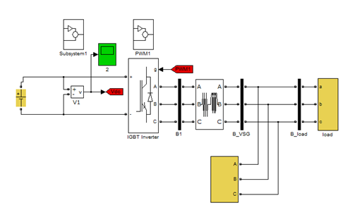
在MATLAB/Simulink环境下搭建了岸电电源与柴油发电机并联运行的仿真模型,如图1所示:

(a)岸电和柴油发电机并联仿真模型整体框图

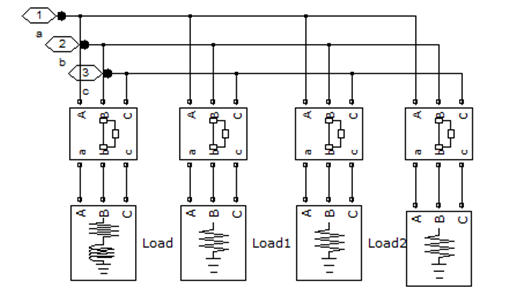
(b)柴油机数学模型

(c)负载
上图采用虚拟发电机控制的岸电和柴油发电机并联仿真模型虚拟同步发电机的主要参数如表1所示。

系统初始运行在额定负荷下,有功负荷500kW,无功负荷350kVar;2s时增加有功负荷50kW,无功负荷20kVar;3.5s时再减小有功负荷50kW,无功负荷20kVar。
其中岸电电源发出的有功功率为175kW,无功功率为140kVar,2s 时有功功率增加20kW,无功功率增加5kVar;3.5s时在减少有功功率20kW,无功功率5kVar。
岸电发出的有功功率和系统频率分别如图(a)、(b)所示,由图可以看出,岸电电源的输出特性按照有功功率-频率下垂特性变化,有功负荷增大,系统的频率降低。


岸电电源有功功率-频率下垂特性
400-800-7179、0532-83817800
在线客服
QQ客服专线



